CTCSS – DTMF – Tone Decoder / Encoder
CTCSS Decoder / Encoder
Sub – audible tone decoder based on a a MX165CP from MX-com
This plan is an ideal mod for old FM tx , without Tone Sqelch. In this project The IC detects 39 tones in the  67 Hz – 250 Hz range
You can find a filter this embebbded (0-300Hz) to have low tones off the speaker. In order to monitor RX signals transmitting with no tone, you have to use pin ( open to listen) OTL
DTMF Decoder
Touch tone decoder using IC 145436
this circuit is capable of decoding 16 different pairs of tones.
Pin DV (data valid) enables a demultiplexer.
Max current on each output of 74LS154 is 20mA. Maximum AF input is 1,2Vss on C3.
DTMF Decoder
Touch tone decoding based on a MT8870
Resistor R at the input is dependent on input voltage. Pin TOE is useful to enable 3 Sate output of MT8870.
Combine this circuit with CD 4028 decoder or 4514 demultiplexer.
This plan is the ideal solutio to remote control ATV station or repeaters
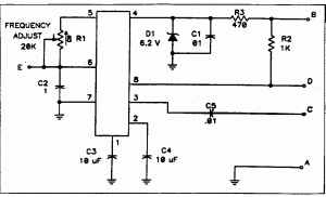
Single tone decoder using IC NE567
R1 and C2 define the frequency range.
For good sensitivity only minimum of input AF-Voltage is recommended. (50mV)
The circuit has a total range of 2-15% of band and is suited for CW-decoders,AFSK-RTTY, TV sync-decoder.
Recoomended using high quality capacity
Tone Burst 1750 Hz
for European repeater operation
very simple and stable circuit to produce 1750Hz tone from 12Volt single supply.
Use a 4060 IC and a 455khz filter with minimum of parts.





What is U1 in the CTCSS decoder schematic?
hello
have you a solution to built a CTCSS encoder, not decoder !
best would be CTCSS and DTMF together !
but … too nice
thanks
F1CHF@free.fr