About the project
It’s a portable dual-band antenna working principally on 10 meters but also close to the 30 meter band. It’s compact, light, economical and doesn’t need any radial.
If you would like to repeat my experiment you will first need a big plastic flower pot (around 70cm high, 60 top diameter and 30 cm base diameter).

Wind an electrical lambda (10m) (start with more than 7-8m, the length finally will be around 6.5 m) of rg58 cable uniformly around the pot and fix it with hadesive tape.

At the end of the cable (close to the mouth of the pot) solder the inner conductor to the shield; at the base of the pot solder the shield of the winded cable to the inner conductor of the rig cable. Make at the base of the pot an LC net.(C around 0-200pF,’ L around 10 coils, diameter: 5cm wire diameter: 2mm).

Insert the LC net between the inner conductor of the winded cable and the shield of the rig cable.
See the figure and the pictures.
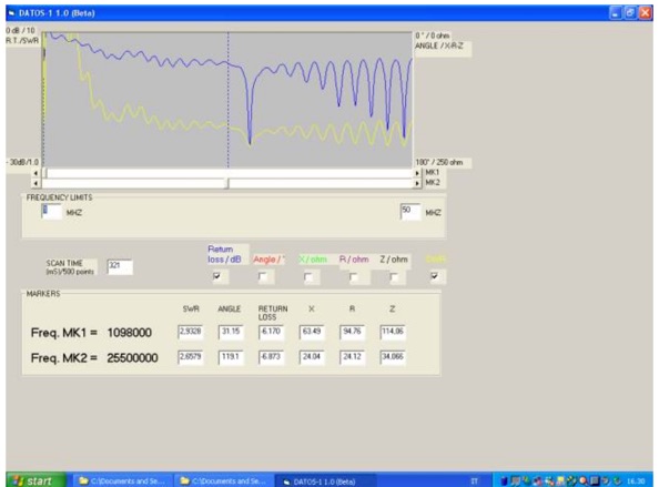
Analyze antenna
Now you need an antenna analyser.
Adjust the cable length to obtain the best impedance on 10 meter band.? In order to tune the system better especially in the 10 meter band, tune the? variable capacitor .
Please note that this flowerpot works quite well if you install it horizontally.
by IZ0FYL


