
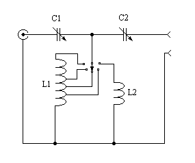
C1 250pF or more
C2 250pF or more
L1 31 mH 39 turns, 2 Inches (51mm) Diameter, 4 Inches (102mm) long.
Tapped at 20T, 14T, 9T, 5T
L2 0.25 mH 4 turns 1.2 Inches (30.5mm) Diameter, 2 Inches long.
I used silver plated copper wire for L1 and L2. If you use enamelled copper wire, remove the insulation on one side of the coil, so that you can easily change the number of turns used for each band. If you don’t need to cover 160 Metres, L1 can be reduced to about 25 turns. L2 is only used on 10 Metres.
To use this tuner with a balanced feed line, you will need to use a balun. My first attempt a making a balun for this ATU was a complete failure. I used some ferrite cores from the junk-box. The balun got very hot with just 100W of RF. The second attempt was even worse. Finally, I used a pair of RFI suppression cores 1.25 In. (32mm) long, 1 In.(25mm) Dia. with a 0.5 Inch (12.7mm) hole through the centre. The balun runs cold at 100W and slightly warm after several minutes of key-down at 250W. A stack of Amidon type 43 or type 61 ferrite cores should be suitable. Use a bi-filar winding with as many turns as you can fit through the holes. I used 9 turns of two lengths of plastic covered wire, twisted tightly together.




If a dual gang variable capacitor is used for C2, the circuit can easily be changed to a “Transmatch” or “SPC Transmatch”.
Article by ei9gq